Termékek
Mágneses por tengelykapcsoló
  • Mágneses por tengelykapcsolóMágneses por tengelykapcsoló

Mágneses por tengelykapcsoló

Üdvözöljük, hogy eljöjjünk gyárunkba, hogy megvásárolja a legújabb eladási, alacsony árat és a kiváló minőségű mágneses por tengelykapcsolót. Bízunk benne, hogy együttműködhetünk veled. Az FL-K mágneses porkapcsoló zökkenőmentes irányítást ér el a nyomatékban azáltal, hogy pontosan beállítja az áramot, hogy megfeleljen a nagy pontosságú követelményeknek. Magas működési hatékonysággal, alacsony energiafogyasztással, egyszerű felépítéssel, hosszú élettartammal rendelkezik, és csökkenti a berendezések karbantartásának és cseréjének gyakoriságát. Ez nélkülözhetetlen és fontos elem az ipari automatizálási berendezésekben.

A mágneses por tengelykapcsoló gyors reagálási sebességgel rendelkezik, és rövid időn belül befejezheti a kezdés, a leállítás és a váltás műveleteket. Megbízható működtetéskor, egyszerű szerkezetű, és alacsony meghibásodási sebességgel rendelkezik, így alkalmassá teszi a hosszú távú folyamatos működésre. A mágneses por anyag kopásálló és a berendezés teljes élettartama hosszú. Könnyen telepíthető, és kompakt kialakítású, megkönnyítve a meglévő berendezésekbe történő integrálást. Az FL-K típusú mágneses porkapcsoló erős alkalmazkodóképességgel rendelkezik, és támogatja a vízhűtést vagy a léghűtést, hogy alkalmazkodjon a különböző munkakörnyezetekhez. Teljesítmény meghibásodása vagy áramszünet esetén fenntarthatja a stabil nyomaték kimenetét a berendezések biztonságának biztosítása érdekében.

Meghatározás

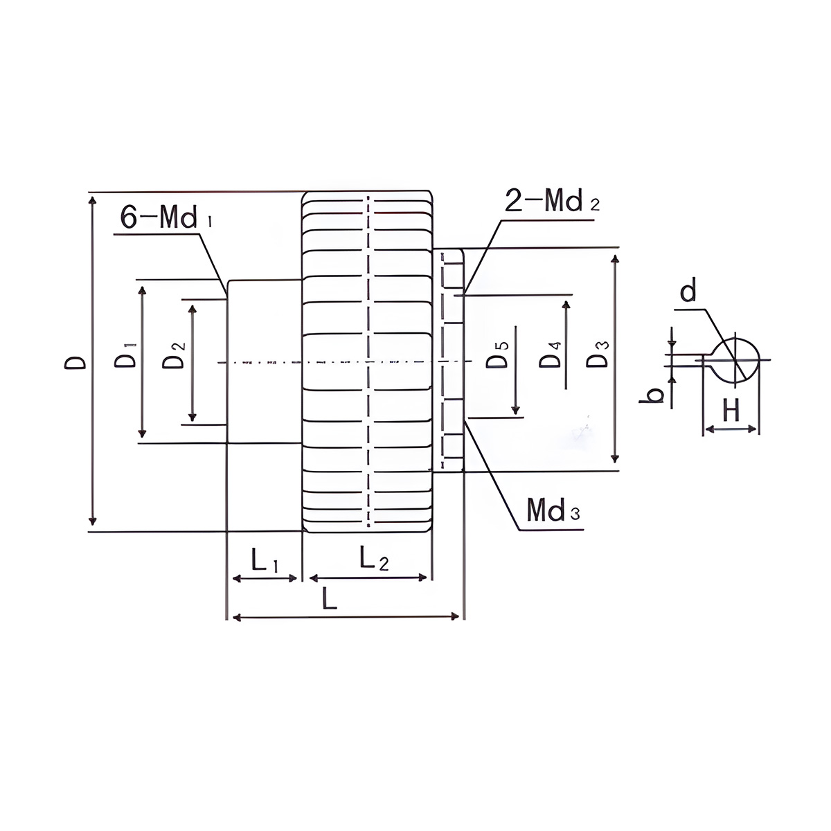
modell Fő műszaki paraméterek Általános dimenziók
Névleges nyomaték
N.M
Maximális feszültség
V
Maximális áram
A
Csúszás
WMAX
Megengedhető maximális sebesség
r/perc
L L1 L2 D D1 (G7) D₂ D₃ D₄ D₅ D (H7) n d₁ d₂ d₃ H b
FL25K 25 DC-24 1.46 170 1500 123 33 74 196 90 80 127.5 80 64 20
6 6 5 22.8 6
Fl50K 50 1.8 300 153 45.5 88 230 110 95 150.5 95 77 30
8 8 6 33.3 8
FL100K 100 2.5 500 186 55.5 104 280 125 110 182 110 95 35
10 10 6 38.3 10
FL200K 200 3.7 800 1000 240 81.5 128 342 160 140 229 140 103 45
10 10 8 48.8 14
FL400K 400

















FZ25K 25 DC-24 0.6 170 1500 103.5 5
196 100 140


20 3 10

22.8 6
FZ50K 50 1.1 300 116 5
230 110 150


30 3 10

33.3 8
FZ100K 100 1.2 500 143 5
280 110 150


35 6 10

38.3 10
FZ200K 200 1.4 800 1000 179 6
342 160 240


45 6 10

48.8 14
FZ400K 400


















Alkalmazás:

Az FL-K mágneses porgombos tengelykapcsoló egy elektromágneses elven alapuló automatizálási eszköz, amelyet széles körben használnak az ipari területeken, különösen a feszültségvezérlő és átviteli rendszerben. Megbízható átviteli és feszültség -ellenőrzési megoldásokat tud biztosítani a különféle ipari forgatókönyvekben.


Hot Tags: Mágneses por tengelykapcsoló, ipari tengelykapcsoló rendszer, egyedi tengelykapcsoló -oldatok, nyomatékátviteli eszköz
Kérdés küldése
Elérhetőségei
A hasítógép, a szárító kamra gyógyító kamra, a szokásos kikeményítő kamra vagy az árlistával kapcsolatos kérdésekért kérjük, hagyja el e -mailjét nekünk, és 24 órán belül kapcsolatba lépünk.

+86-139 05978033

X
Cookie-kat használunk, hogy jobb böngészési élményt kínáljunk, elemezzük a webhely forgalmát és személyre szabjuk a tartalmat. Az oldal használatával Ön elfogadja a cookie-k használatát. Adatvédelmi szabályzat
Elutasít Elfogadás